Kategorie
- Siłowniki Hydrauliczne
- Pompy Hydrauliczne
- Orbitrole
-
Silniki Hydrauliczne
- Silniki hydrauliczne SMR wałek 25mm
- Silniki hydrauliczne SMR wałek 32mm
- Silniki hydrauliczne SMR wałek SHD
- Silniki hydrauliczne SMR wałek WOM
- Silniki hydrauliczne SMS
- Silniki hydrauliczne SMS wałek WOM
- Silniki hydrauliczne BMPW
- Silniki hydrauliczne SMSW
- Silniki hydrauliczne SMM
- Silniki hydrauliczne SMT
- Silniki hydrauliczne SMV
- Silniki hydrauliczne zębate
- Akcesoria do silników hydraulicznych
- Silniki Elektryczne
-
Zawory Hydrauliczne
- Zawory hydrauliczne DBW
- Zawory hydrauliczne VBCD
- Zawory hydrauliczne VBCL hamująco-zwrotne
- Zawory hydrauliczne VRDE (zwrotne, bliźniacze)
- Zawory hydrauliczne VUR (zwrotne, liniowe)
- Zawory hydrauliczne VUSF (zwrotne, logiczne)
- Zawory hydrauliczne VRFU (dławiące w jedną stronę)
- Zawory hydrauliczne VRFB (dławiące w dwie strony)
- Zawory hydrauliczne VMD (przelewowe/przeciążeniowe)
- Zawory hydrauliczne kulowe 2-drogowe
- Zawory hydrauliczne kulowe 3-drogowe
- Zawory elektryczne
- Amortyzatory Hydrauliczne Hydroakumulatory
- Agregaty Hydrauliczne
- Rozdzielacze Hydrauliczne
- Zestawy hydrauliczne do tura
- Elektrozawory CETOP i akcesoria
- Multiplikatory Hydrauliczne
- Cewki Elektromagnetyczne
- Manometry Hydrauliczne Glicerynowe
- Sprzęgła Hydrauliczne
- Szybkozłącza Hydrauliczne
-
Złącza i Przyłącza Hydrauliczne
- Złącza hydrauliczne
- Przyłącza hydrauliczne
- Przyłącza kołnierzowe
- Złącza obrotowe proste
- Złącza obrotowe kątowe
- Złącza oczkowe
- Złącza kłowe GEKA
- Korki hydrauliczne
- Śruby hydrauliczne
- Trójniki hydrauliczne
- Czwórniki Hydrauliczne
- Kolana hydrauliczne
- Tuleje różnicowe
- Redukcje gwintu z nakrętką
- Nakrętki
- Pierścienie zacinające
- Filtry
- Chłodnice Oleju Hydraulicznego
- Przewody Hydrauliczne
- Oringi i podkładki
- Hydraulika rolnicza
- Pozostałe
Wyszukiwarka
ZESTAW DO TURA ŁADOWACZA OTWARTY 3 SEKCJE PŁYWAJĄCY LINKI 1000
Cena brutto:
Cena netto: 536,59 zł
Charakterystyka:
ZESTAW HYDRAULICZNY 2-SEKCYJNY 40L/min z sekcją pływającą
Skład zestawu:
- joystick na kulki z przyciskiem
- dwie linki długości 1m (można zmienić na 1,5m ; 2m ; 2,5m ; 3m)
- rozdzielacz hydrauliczny 2 sekcyjny 40L/min z sekcją pływającą
- elektrozawór 6/2 50L/min 12V
Zastosowanie:
Posiada szerokie zastosowanie w układach hydraulicznych w rolnictwie, sadownictwie, leśnictwie, budownictwie i szeroko pojętym przemyśle.
Zestaw przystosowany do różnego rodzaju maszyn takich jak: maszyny rolnicze, ciągniki, opryskiwacze, tury, cyklopy, ładowacze HDS, maszyny budowlane, ładowarki, koparki, zamiatarki, maszyny przemysłowe i do innych urządzeń sterowanych hydraulicznie gdzie wydajność pompy hydraulicznej nie przekracza 40L/min.
Zastosowanie w ładowaczach czołowych TUR:
Sprawdzony w wielu modelach ciągników, m. in. :Ursus C-330, C-355, C-360, C-385, 912, 914, 1224, 2812, 3512 Zetor 5211, 7211, 5245, 7245, 8011 MF 235, 255 i innych
Zestaw steruje dwoma sekcjami w ładowaczu czołowym TUR, tzn. podnoszeniem ramy i pochyłością łychy.
Informacje ogólne:
Sterowanie joystickiem niesie ze sobą wiele zalet, które powodują, że praca staje się szybsza, bardziej przyjemna i bezpieczna. Joystick to przede wszystkim bardziej komfortowe, wygodne i precyzyjne sterowanie maszyną. Mechanizm umozliwiający blokadę ruchów rączki joysticja to znacznie zwiększone bezpieczeństwo operatora i ludzi którzy mogą się znaleźć w pobliżu maszyny. Montaż joysticka wewnątrz kabiny i wyrzucenie rozdzielacza na zewnątrz sprawia, że kabina pozostaje czysta i bez wycieków oleju.
Joystick:
Przystosowany do mechanicznego sterowania dwoma sekcjami w rozdzielaczu. Posiada dodatkowy przycisk i wyjście wiązki elektrycznej, co umożliwia w przyszłości zastosowanie elektrozaworu który będzie sterował dodatkową, trzecią sekcją np. w ładowaczu TUR krokodylem lub chwytakiem do bel.
Elementy konstrukcyjne wewnątrz aluminiowe, obudowa z mocnego tworzywa. Blokada możliwości sterowania za pomocą przycisku bezpieczeństwa. Produkcja europejska NIMCO.
Linki:
Długość linek w standardzie: 1m
Gwinty od strony rozdzielacza: korpus linki M16x1.5, cięgno linki M6x1.5.
Od strony joysticka kulka średnicy 14mm.
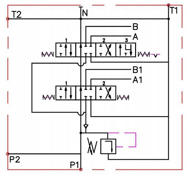
Rozdzielacz hydrauliczny dwusekcyjny z sekcją pływającą
Maksymalny przepływ do 40L/min.
Sterowanie cylindrami jednostronnymi i dwustronnymi.
Zalecane sterowanie rozdzielaczem za pomocą linek i joysticka.
Sterowanie:
Oba suwaki trzypozycyjne (1 - 0 - 2), na sprężynie, czyli same wracają do pozycji neutralnej jeśli linka jest luźna.
Pozycja 0 neutralna (linka jest luźna) tłoczysko cylindra stoi - olej idzie na przelew.
Pozycja 1 robocza (linka ciągnie suwak) tłoczysko cylindra wysuwa się.
Pozycja 2 robocza (linka popycha suwak) tłoczysko cylindra chowa się.
Podłączenie:
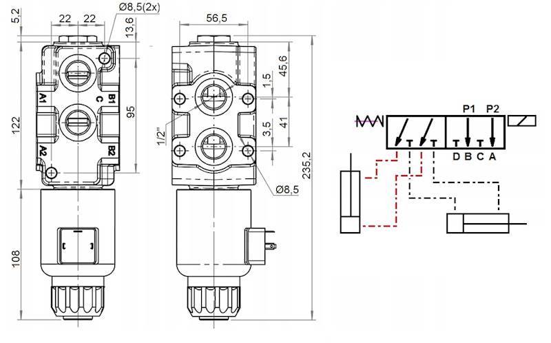
Gwinty wewnętrzne w korpusie: zasilanie: 1/2'' ; powrót: 1/2'' ; sekcje : 3/8''
Przyłącza do linek:
Gwint wewnętrzny rurki: M16x1.5
Gwint wewnętrzny końcówki suwaka: M6x1.5
Zakres ciśnień:
Maksymalne ciśnienie na zasilaniu: 250Bar
Maksymalne ciśnienie na powrocie: 50Bar
Maksymalne ciśnienie na sekcjach: 300Bar
Zawór przelewowy ustawiony fabrycznie na 175Bar
Możliwość samodzielnej regulacji, pełny obrót zmiana o 30Bar.
Zakres temperatur i typ oleju:
Dopuszczalna temperatura otoczenia: -40 C do +60 C
Dopuszczalna temperatura oleju: -15 C do +80 C
Zalecany olej hydrauliczny na bazie oleju mineralnego np. HL 32 lub HL 46
Elektrozawór 6/2 do trzeciej sekcji:
Maksymalny przepływ do 50L/min
Zasilanie: 12V
Sterowanie:
Suwak dwupozycyjny na sprężynie, czyli sam wraca do pozycji neutralnej po odcięciu dopływu prądu.
Zasada działania suwaka:
Pozycja 1 (dopływ prądu do cewki odcięty) możliwość sterowania cylindrem nr 1.
Pozycja 2 (dopływ prądu do cewki otwarty) brak możliwości sterowania cylindrem nr 1, za to możliwość sterowania cylindrem nr. 2.
Podłączenie:
Gwinty wewnętrzne w korpusie:
Port przyłączeniowy zasilanie: 1/2''
Port przyłączeniowy powrót: 1/2''
Porty przyłączeniowe sekcje: 1/2''
Zakres ciśnień:
Maksymalne ciśnienie na zasilaniu: 210Bar
Maksymalne ciśnienie na powrocie: 50Bar
Maksymalne ciśnienie na sekcjach: 250Bar
Zakres temperatur i typ oleju:
Dopuszczalna temperatura otoczenia: -40 C do +60 C
Dopuszczalna temperatura oleju: -15 C do +80 C
Zalecany olej hydrauliczny na bazie oleju mineralnego np. HL 32 lub HL 46
Zalecana filtracja oleju na poziomie 10 - 15
µ
| Z2OSP/L1/1P+6/2 | |
| Komplet | |
| 23 (23%) | |
| https://www.hydraulikadlarolnika.pl/product/ZESTAW-DO-TURA-LADOWACZA-OTWARTY-3-SEKCJE-PLYWAJACY-LINKI-1000-s40174 | |
| szt. | |
| Perfect Hydraulic |